Zurück zu
>
Roth / TORO
>
Handgeräte
>
Schneefräsen
>
zweistufig
>
521
>
622/38054
>
4900001
>
Antrieb
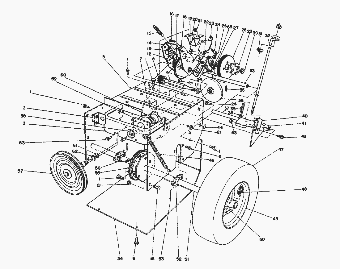
Ersatzteillisten für Toro Roth / TORO Antrieb
Pos.
Bezeichnung
Ersatzteilnummer
Intermediate Gear & Bushing (Incl. Ref.
37-9160
Pos.
Bezeichnung
Ersatzteilnummer
1
Schraube
32144-70
2
Mount-Clutch Rod Front
66-6790
3
Frame-Friction Plate
88-0550
5
Traction Frame
37-8900
6
Schraube
32144-4
7
Mount-Clutch Rod Rear
37-9070
8
Zahnrad
37-6500
9
Welle
37-6780
10
Keil
3257-24
11
Scheibe
5-7570
12
Bushing
256-86
13
Lager
20-1620
14
Bracket-Sliding
39-1230
15
Feder
37-8880
16
Schraube
322-2
18
Scheibe
10-9280
19
Mutter
3296-16
20
Mount-Quadrant Gear
37-8790
21
MUTTER
3296-29
22
Cam Receiver
39-1250
23
Quadrant Gear
37-8800
24
Schraube
37-8770
25
MUTTER
3296-29
27
Scheibe
36-4790
28
Reibrad
37-6570
29
Flansch
39-1520
30
Stopmutter
3296-48
31
Mutter
32128-33
32
Hebel
39-3060
33
Welle
37-6760
34
Schraube
321-4
35
Stift
32121-45
36
Reibscheibe
38-0800
37
Traction Engagement Assy.
43-7310
38
Mutter
32128-32
39
Druckfeder
38-4520
40
Bracket-Traction
38-4490
41
Spacer
40-9680
42
Schraube
40-8350
43
MUTTER
3296-42
44
Sicherungsring
32151-61
46
Spring-Friction Plate Frame
37-8870
47
Reifen
231-120
48
Stift
3290-243
Gebrauchsanweisungen
Toro
Roth / TORO
Aufsitzmäher
Handgeräte
Kehrmaschinen
Schneefräsen
Zubehör
zweistufig
1332 PowerShift
1232 PowerShift
1132 PowerShift
1132
1028 PowerShift
924 PowerShift
828 PowerShift
824 PowerShift
824 XL
824
724
624 PowerShift
622
521
622/38054
6900001
5900001
4900001
Vergaser Nr. 632107A
Rücklaufstarter Nr. 590646
Motor Tecumseh (Modell HSSK50-67259M) (Fortsetzung)
Motor Tecumseh (Modell HSSK50-67259M)
Holm (Fortsetzung)
Motor
Holm
Antrieb (Fortsetzung)
Antrieb
Trommel (Fortsetzung)
Trommel
3900001
2000001
1000001
0000001
622/38035
3521
einstufig
Sauger/Bläser
Rasenmäher
Robin
Impressum
(C) by motoruf