Zurück zu
>
Roth / TORO
>
Handgeräte
>
Schneefräsen
>
zweistufig
>
824
>
612/38080
>
2000001
>
Antrieb
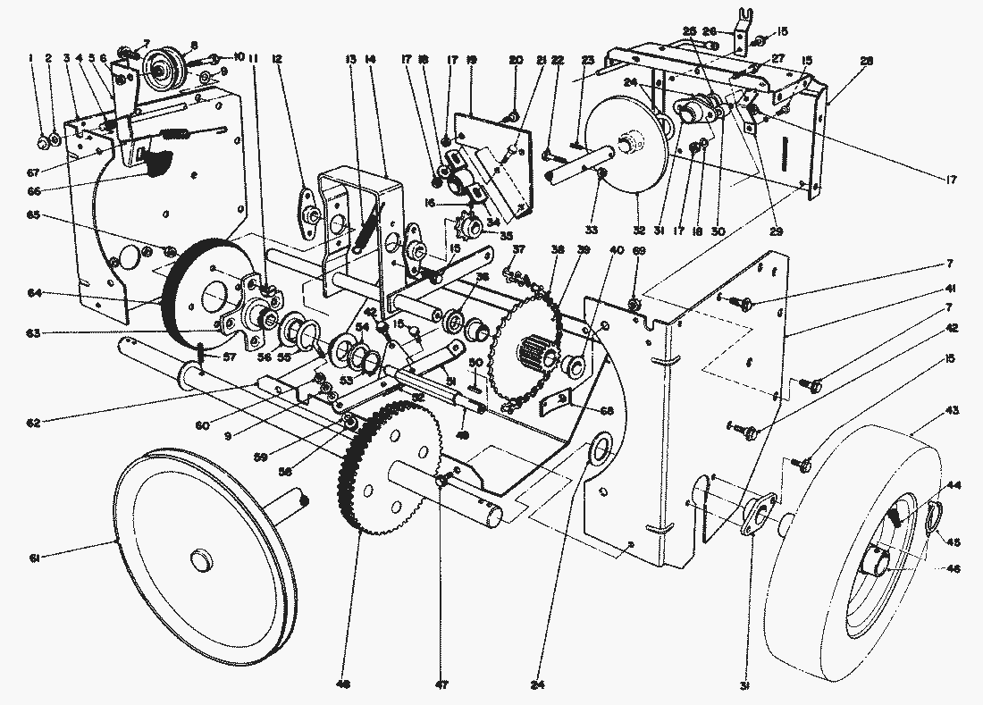
Ersatzteillisten für Toro Roth / TORO Antrieb
Pos.
Bezeichnung
Ersatzteilnummer
1
Sicherungskappe
3290-383
2
Scheibe
3256-25
3
Side Plate Traction
20-1420
4
Feder
20-1160
5
Spannrollenhalter
8-9019
6
Mutter
3296-59
7
Hex Hd. Thread Forming Screw
32144-69
8
Riemenscheibe
3-4244
9
Scheibe
3256-45
10
Schraube
323-8
11
Schraube
32108-94
12
Lager
20-1620
13
Feder
11-4640
14
Haltebock
20-1580
15
Schraube
32144-11
16
Schraube
3245-32
17
MUTTER
3296-29
18
Scheibe
3256-23
19
Bracket-Shaft Support
36-9990
20
Schraube
322-2
21
Schraube
322-3
22
Schraube
321-33
23
Stift
32121-6
24
Scheibe
3-0737
25
Distanzbuechse
26-6370
26
Support Clutch Rod
20-1080
27
Schraube
322-9
28
Frame Center
26-6360
29
Halter
20-1760
30
Buechse
26-6380
31
Achslager
20-1730
32
Friktionsscheibe
20-1550
33
Stopmutter
3296-8
34
Lagerbock
36-9980
35
Kettenrad
5-9820
36
Ring
3-7384
37
Connecting Link
2710-6
38
Kette
20-1810
39
Kettenrad
20-1640
40
Buechse
3-1506
41
Seitenplatte Links
20-1430
42
Schraube
11-8140
Gebrauchsanweisungen
Toro
Roth / TORO
Aufsitzmäher
Handgeräte
Kehrmaschinen
Schneefräsen
Zubehör
zweistufig
1332 PowerShift
1232 PowerShift
1132 PowerShift
1132
1028 PowerShift
924 PowerShift
828 PowerShift
824 PowerShift
824 XL
824
612/38080
8000001
7000001
6000001
5000001
4000001
3900001
2000001
Rücklaufstarter Nr. 590630
Motor Tecumseh (Modell-Nr. HM80-155438 P)
Vergaser Nr. 632334A
Elektrostart Nr. 37-4810
Beleuchtungssatz Nr. 54-9822 (wahlw.)
Wetterschutz Modell 42-3380 (wahlw.)
Holm (Fortsetzung)
Holm
Motor
Antrieb (Fortsetzung)
Antrieb
Trommel (Fortsetzung)
Trommel
724
624 PowerShift
622
521
3521
einstufig
Sauger/Bläser
Rasenmäher
Robin
Impressum
(C) by motoruf