Zurück zu
>
Roth / TORO
>
Handgeräte
>
Schneefräsen
>
zweistufig
>
828 PowerShift
>
629/38574
>
1000001
>
Beleuchtung
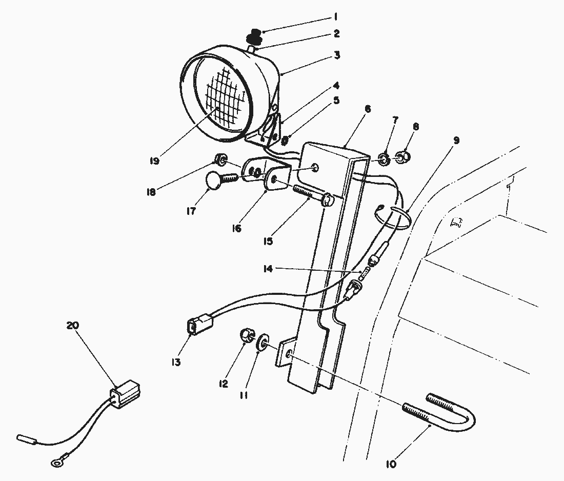
Ersatzteillisten für Toro Roth / TORO Beleuchtung
Pos.
Bezeichnung
Ersatzteilnummer
Light Assembly (Incl. Ref.
66-7930
Pos.
Bezeichnung
Ersatzteilnummer
1
Schalter-Abdeckung
218-473
2
Schalter
218-553
3
Bucket-Headlamp
218-552
4
Halter
218-554
5
Federring
3255-8
6
Mount-Lamp
68-7110
7
Federring
3253-21
8
Mutter
3217-7
9
Tie Wrap
3290-378
10
U-Buegel
68-7140
11
Scheibe
3256-23
12
MUTTER
3296-29
13
Kabelbaum
54-9810
14
15
Schraube
322-13
16
U.Buegel
218-556
17
Schraube
3231-2
18
Mutter
32128-35
19
Birneneinsatz 12v/18watt
218-16
20
Kabelbaum
54-9810
Lampe Kpl.
54-9871
Gebrauchsanweisungen
Toro
Roth / TORO
Aufsitzmäher
Handgeräte
Kehrmaschinen
Schneefräsen
Zubehör
zweistufig
1332 PowerShift
1232 PowerShift
1132 PowerShift
1132
1028 PowerShift
924 PowerShift
828 PowerShift
629/38574
2000001
1000001
Rücklaufstarter Tecumseh Nr. 590630
Motor Tecumseh (Modell-Nr. HM80-155386P) (Fortsetzung)
Motor Tecumseh (Modell-Nr. HM80-155386P)
Vergaser Tecumseh Nr. 632334A
Elektrostarter Motor Nr. 37-4810 (wahlw.)
Differential Bausatz Modell-Nr. 38038 (wahlw.)
Wetterschutz Nr. 68-9500 (wahlw.)
Seiten-Schneidschiene (wahlw.)
Beleuchtung
Holm
Antrieb Gestänge
Antrieb
Getriebe Nr. 66-8030 (Fortsetzung)
Getriebe Nr. 66-8030
Motor
Getriebegehäuse Nr. 66-8021
Gehäuse & Auswurf (Fortsetzung)
Gehäuse & Auswurf
0000001
629/38545
824 PowerShift
824 XL
824
724
624 PowerShift
622
521
3521
einstufig
Sauger/Bläser
Rasenmäher
Robin
Impressum
(C) by motoruf