Zurück zu
>
Roth / TORO
>
Aufsitzmäher
>
Traktor
>
264 H
>
502/72063
>
5900499
>
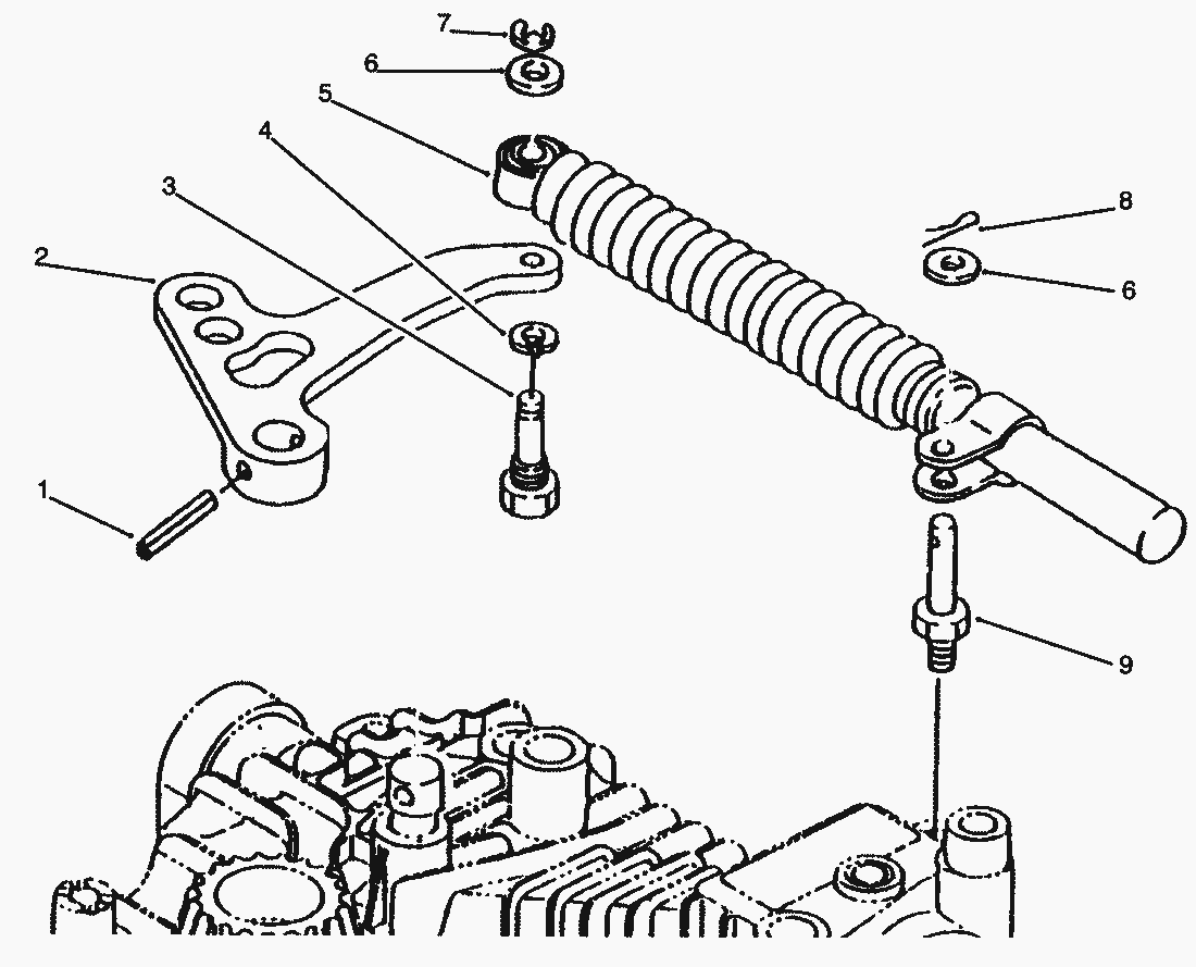
Dämpfer
Ersatzteillisten für Toro Roth / TORO Dämpfer
Pos.
Bezeichnung
Ersatzteilnummer
1
Spannstift
93-0411
2
Arm
93-0404
3
Bolzen
93-0407
4
Scheibe
93-0409
5
Shock Absorber (Only On: 72083, 72043, 72103, 72063)
93-0405
6
Scheibe
93-0408
7
Sicherungsring
93-0410
8
Splint
93-0412
9
Bolzen
93-0406
Gebrauchsanweisungen
Toro
Roth / TORO
Aufsitzmäher
Traktor
264-6
246 HE
244-5
212-H
212-5
17-44 HXLE
16-44 HXL
16-38 HXL
16-38 XLE
15-44 HXL
15-38 HXL
14-38 HXL
14-38 XL
13-38 HXL
13-38 XL
13-32 XLE
12-38 HXL
12-38 XL
12-32 XL
264 H
502/72063
4900001
5900001
5900499
Haube mit Grill
Armaturenbrett
Lenkrad mit Verstellung
untere Lenkung
Vorderachse
Sitz
Kraftstofftank & Hydrauliktank
Kotflügel & Fußauflage
Haubenhalter & Hitzeschutz
Aushubhebel & Schnitthöhe
Rahmen
Hydraulik Antrieb
Gear Antrieb
Zweizylinder Motor, Auspuff, und Zapfwelle
Einzylinder Motor, Auspuff, und Zapfwelle
Kupplung 92-6885
Batterie
Hydraulikbremse
Hydraulikbetätigung
Hydraulik-Getriebeachse
Tempomat Betätigung
Getriebeachse
Getriebe-Schaltgestänge
Kupplung & Bremsgetriebe
Hinterrad
Kurbelwelle
Kurbelgehäuse
Ölwanne, Schmierung
Zylinderkopf, Ventil, Entlüftung
Zündung, Elektrik
Gebläsegehäuse & Leitbleche
Starteinrichtung
Kraftstoffsystem
Motor Betätigungen
Lufteinlaß/Filter
Auspuff
Kopf, Ventil, Entlüftung
Getriebeachse Peerless 820-024
Getriebeachs-Gehäuse
Mittleres Gehäuse
Pumpenwelle
Motorwelle
Wählhebel
Bypass
Dämpfer
Neutralzentrierung
Bremssicherung
Differentialgetriebe
Ritzel
Getriebewelle
Bremse
265 H
267 H
268 H
270 H
520 xi
520 Lxi
523 Dxi
Rider
Mähwerke
Zubehör
Handgeräte
Robin
Impressum
(C) by motoruf