Zurück zu
>
Roth / TORO
>
Handgeräte
>
Schneefräsen
>
zweistufig
>
824 PowerShift
>
628/38540
>
4900001
>
Gehäuse & Auswurf
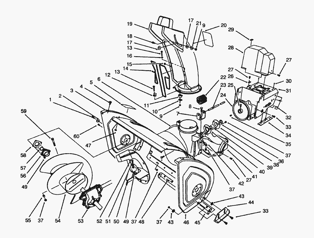
Ersatzteillisten für Toro Roth / TORO Gehäuse & Auswurf
Pos.
Bezeichnung
Ersatzteilnummer
Housing-24 6 6 3_135001 1 38500 Housing-24
62-0720
Pos.
Bezeichnung
Ersatzteilnummer
1
Schraube
323-6
2
Scheibe
3-0750
3
Plate-Side R.H.
66-7821
4
Schraube
3234-28
5
Decal-Auger Warning
53-7670
7
Halter
63-2180
8
Schraube
3230-2
9
Mutter
3296-2
10
Platte
63-2670
11
Anschlag
62-1430
12
Halter
63-3130
13
Schraube
3274-13
14
Schutzgitter
63-3020
15
Mutter
3290-326
16
Scheibe
3256-14
17
Scheibe
63-2900
18
Schraube
32122-32
19
Chute Assembly
62-0840
20
Decal-Danger Chute (Model No. 38500)
63-3740
Decal-Discharge
53-7660
21
Scheibe
3256-61
22
Schnecke
62-0820
23
Gestaenge
62-1720
24
Riemenscheibe
62-1300
25
Schraube
3242-4
26
Kabelklemme
63-2300
27
Schraube
32144-4
28
Riemenabdeckung
63-2080
29
Deckel
63-3290
30
Pop-Nieten
3269-23
31
Frame-Engine
66-6980
32
Cover-Engine Frame
62-1440
33
Schraube
3234-5
Gebrauchsanweisungen
Toro
Roth / TORO
Aufsitzmäher
Handgeräte
Kehrmaschinen
Schneefräsen
Zubehör
zweistufig
1332 PowerShift
1232 PowerShift
1132 PowerShift
1132
1028 PowerShift
924 PowerShift
828 PowerShift
824 PowerShift
628/38546
628/38543
628/38540
9000001
8900001
8000001
7900001
6900001
5900001
4900001
Motor Tecumseh (Modell-Nr. HM80-155337S) (Fortsetzung)
Motor Tecumseh (Modell-Nr. HM80-155337S)
Rücklaufstarter Tecumseh Nr. 590672
Vergaser Tecumseh Nr. 632334A
Holm
Antrieb Gestänge
Antrieb
Getriebe Nr. 66-8030 (Fortsetzung)
Getriebe Nr. 66-8030
Motor
Getriebegehäuse Nr. 74-1560
Gehäuse & Auswurf (Fortsetzung)
Gehäuse & Auswurf
3900001
2000001
1000001
0000001
824 XL
824
724
624 PowerShift
622
521
3521
einstufig
Sauger/Bläser
Rasenmäher
Robin
Impressum
(C) by motoruf