Ersatzteillisten für Toro Roth / TORO Gehäuse
Gebrauchsanweisungen
- Roth / TORO
- Aufsitzmäher
- Handgeräte
- Kehrmaschinen
- Schneefräsen
- Zubehör
- zweistufig
- einstufig
- Snow Commander
- CCR 3650 GTS
- CCR 3000
- CCR 2450
- CCR 2400
- CCR 2000
- 618/38186
- 618/38185 C
- 618/38181
- 6900001
- 5900001
- 4900001
- 3900001
- 2000001
- 1000001
- Starter (Motor Modell-Nr. 47PL0-4, 47PK9-4, 47PH7-4)
- Auspuff (Motor Modell-Nr. 47PL0-4, 47PK9-4, 47PH7-4)
- Regler (Motor Modell-Nr. 47PL0-4, 47PK9-4, 47PH7-4)
- Vergaser (Motor Modell-Nr. 47PL0-4, 47PK9-4, 47PH7-4)
- Schwungrad & Zündspule (Motor Modell-Nr. 47PL0-4, 47PK9-4, 47PH7-4)
- Teilemotor (Motor Modell-Nr. 47PL0-4, 47PK9-4, 47PH7-4)
- Holm
- Betätigung, Paneele & Abdeckung
- Rotor
- Motor & Hauptrahmen
- Grassauswurf
- Gehäuse (Fortsetzung)
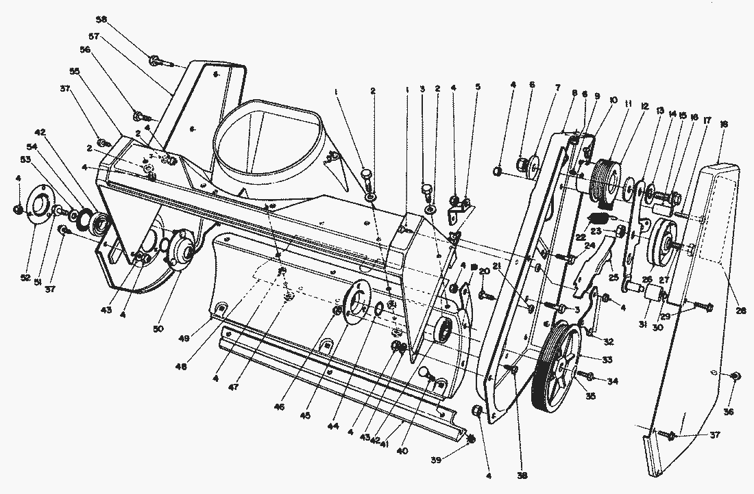
- Gehäuse
- 0000001
- 618/38180 C
- CR 1000
- CR 20
- CR 20 R
- S 620
- S 200
- CCR Powerlite
- Sauger/Bläser
- Rasenmäher
- Robin