Zurück zu
>
Roth / TORO
>
Handgeräte
>
Schneefräsen
>
einstufig
>
CCR 2000
>
618/38185 C
>
9000001
>
Gehäuse
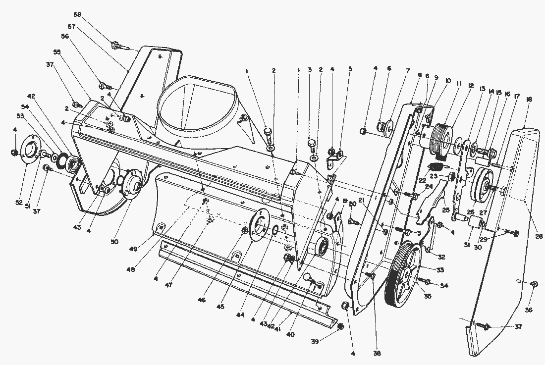
Ersatzteillisten für Toro Roth / TORO Gehäuse
Pos.
Bezeichnung
Ersatzteilnummer
1
Schraube
321-6
2
scheibe
3256-22
3
Schraube
321-4
4
MUTTER
3296-42
5
Halter
55-9430
6
MUTTER
3296-29
7
Scheibe
5-4460
8
Sideplate-L.H.
55-8850
9
Schraube
3245-41
10
Schraube
3241-7
11
Antriebsriemen
55-9300
12
Riemenscheibe
55-9180
13
Stellhebel
12-8279
14
Scheibe
25-5640
15
Riemenfuehrung
55-9530
16
Bolzen
27-0410
17
Schraube
321-13
18
Cover-Drive
55-9010
19
Gehaeusehalterung
56-2610
20
Screw-Button Hd.
3274-31
21
Distanzscheibe
55-9620
22
Feder
55-9280
23
Locknut
32152-2
24
Schraube
322-3
25
Bremshebel
55-9550
26
Spannrolle
55-9290
27
Schraube
323-29
Gebrauchsanweisungen
Toro
Roth / TORO
Aufsitzmäher
Handgeräte
Kehrmaschinen
Schneefräsen
Zubehör
zweistufig
einstufig
Snow Commander
CCR 3650 GTS
CCR 3000
CCR 2450
CCR 2400
CCR 2000
618/38186
618/38185 C
9000001
Starter
Auspuff
Regler
Vergaser
Schwungrad & Zündspule
Teilemotor
Holm
StarterMotor & Schalter Gehäuse
Betätigung, Paneele & Abdeckung
Motor & Hauptrahmen
Rotor
Grassauswurf
Gehäuse (Fortsetzung)
Gehäuse
8000001
618/38181
618/38180 C
CR 1000
CR 20
CR 20 R
S 620
S 200
CCR Powerlite
Sauger/Bläser
Rasenmäher
Robin
Impressum
(C) by motoruf