Zurück zu
>
Roth / TORO
>
Handgeräte
>
Schneefräsen
>
zweistufig
>
1132
>
610/38160
>
3000001
>
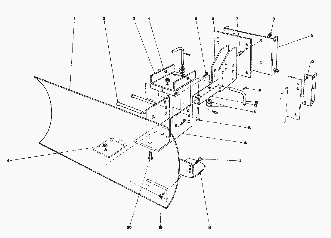
Graderschild (Modell-Nr. 59099)
Ersatzteillisten für Toro Roth / TORO Graderschild (Modell-Nr. 59099)
Pos.
Bezeichnung
Ersatzteilnummer
Pivot Pin (Incl. Ref.
20-5210
Pos.
Bezeichnung
Ersatzteilnummer
1
Blade
7-4374
2
Splintbolzen
283-38
3
Swivel Bracket
20-5090
4
Mutter
32152-3
5
Haarnadelsicherung
3290-322
6
Mounting Plate Bracket (used with 826 and 1032 only)
224920
7
Schraube
323-6
8
Locknut
32152-2
9
Mounting Plate
20-5170
10
Mounting Rail (Used with 421 Units only)
39-7850
11
Stift
32121-45
13
Blade Tongue
20-5140
14
Scheibe
3256-5
15
Schraube
325-11
16
Blade Adjustment Plate
20-5130
17
Schraube
322-6
18
Skid
7-1023
19
Mutter
32152-1
20
Schraube
325-5
Air Cleaner Kit (B & S)
20-9960
Gebrauchsanweisungen
Toro
Roth / TORO
Aufsitzmäher
Handgeräte
Kehrmaschinen
Schneefräsen
Zubehör
zweistufig
1332 PowerShift
1232 PowerShift
1132 PowerShift
1132
610/38160
9000001
7000001
6000001
5000001
4000001
3000001
Graderschild (Modell-Nr. 59099)
Auswurf Verlängerung 26-1100 (wahlw.)
Wetterschutz Modell 42-3380 (wahlw.)
Motor B&S Modell-Nr. 252416-0190-01 (Fortsetzung)
Motor B&S Modell-Nr. 252416-0190-01
12 V Anlasser 37-4640 (wahlw.)
Holm (Fortsetzung)
Holm
Rad
Motor
Antrieb (Fortsetzung)
Antrieb
Trommel
Trommel (Fortsetzung)
2000001
1000001
0000001
1028 PowerShift
924 PowerShift
828 PowerShift
824 PowerShift
824 XL
824
724
624 PowerShift
622
521
3521
einstufig
Sauger/Bläser
Rasenmäher
Robin
Impressum
(C) by motoruf