Zurück zu
>
Roth / TORO
>
Aufsitzmäher
>
Traktor
>
212-H
>
303/R2-12OE02
>
2000001
>
Rahmen
Ersatzteillisten für Toro Roth / TORO Rahmen
Pos.
Bezeichnung
Ersatzteilnummer
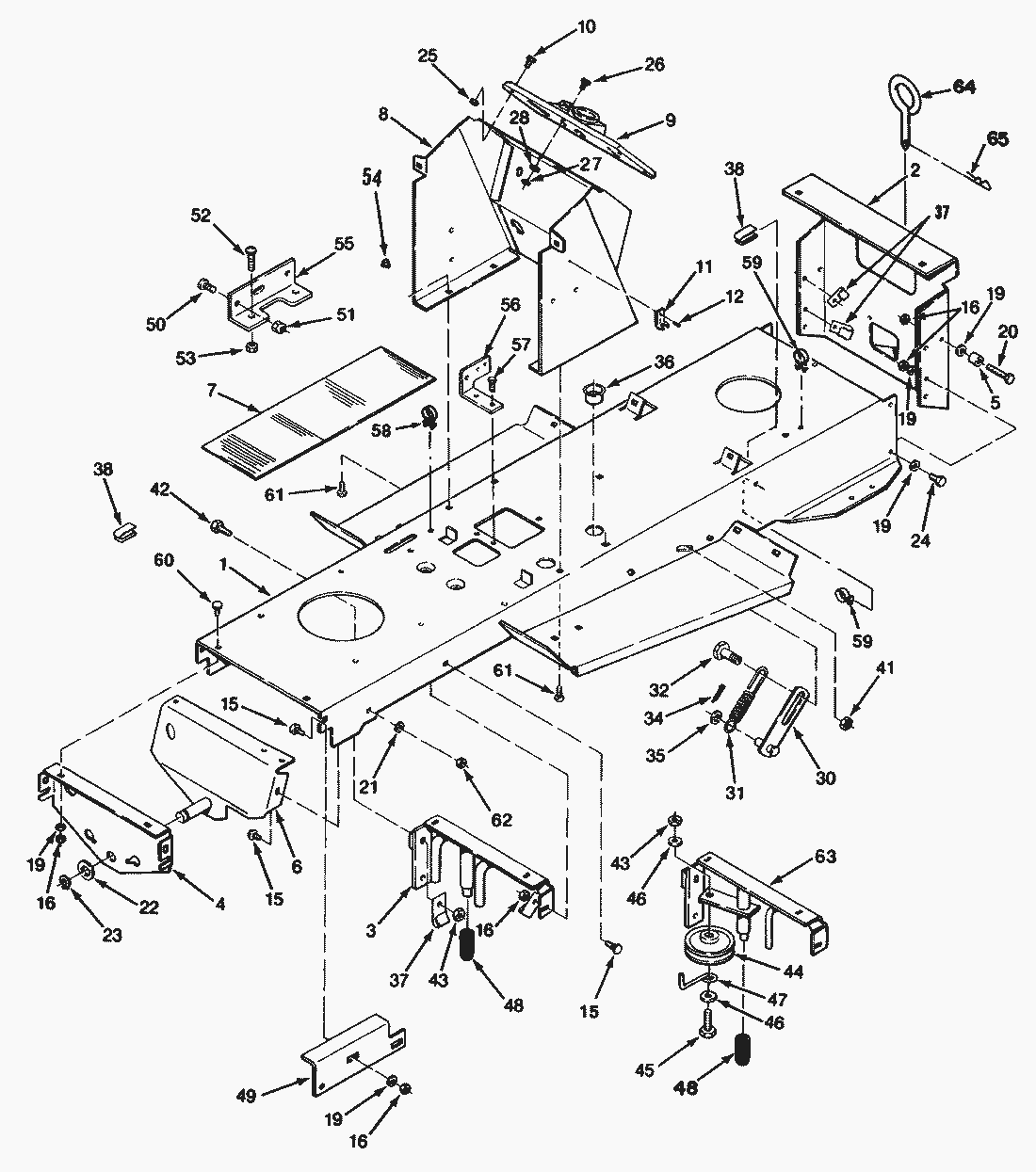
1
Frame
78-1640
2
Plate-Rear Drawbar
114417
3
Plate-Frame Support (212-H)
112850
4
Achsaufhaengung
111397
5
Roller-Cam
114610
6
Platte
112977
7
Fussbelag
110180
8
Hoodstand
78-3390
9
Konsole
111467
10
Screw-Pan Hd.
111499
11
Halter
117343
12
Rivet-Pop
117431
15
Schraube
3230-16
16
MUTTER
3296-29
19
Scheibe
3256-23
20
Schraube
322-6
21
Federring
3254-2
22
Scheibe (10)
1278
Scheibe (10)
5210
23
Ring
32120-93
24
Schraube
322-3
25
Nut-Hex
915740
26
Screw
910837
27
Mutter
3217-5
28
Federring
3253-3
30
Stellhebel
111524
31
Feder
111527
32
Bolzen
78-1670
34
Splint
3272-16
35
Scheibe 2000 (20)
920242
36
Buechse
938031
37
Klemme
8830
38
Retainer
113116
41
Mutter
109779
42
Schraube
323-7
43
Mutter
3296-39
44
Pulley-Idler
110370
45
Schraube
323-10
46
Scheibe
3256-24
47
Riemenfuehrung
109230
48
Grip
111439
49
Bracket-L.H.
114989
Bracket-R.H.
114990
50
Screw-Hex Hd.
960151
51
MUTTER
3296-42
52
Screw
910796
53
Nut-Hex
915740
54
Plug-Nylon
938050
55
Sicherungshalter
117142
56
Bracket-Switch
78-2050
57
Screw-Machine
926640
58
Rohrschelle
115860
59
Clip-Snap-In
115858
60
Carriage Bolt
900036
61
Bolt
926697
62
Eslok Nut
915112
63
Plate-Frame Support (212-5)
114851
64
Bolzen
106634
65
Cotter-Hairpin
933505
Gebrauchsanweisungen
Toro
Roth / TORO
Aufsitzmäher
Traktor
264-6
246 HE
244-5
212-H
303/R2-12OE02
2000001
Schilder & Verschiedenes
Motor Vergaser
Motor Starter
Motor Schwungrad & Abdeckung
Motor Regler Gestänge & Abdeckung
Motor Luftfilter
Motor Zündung
Motor Zylinderkopf & Ventile
Motor Ölwanne & Pumpe
Motor Kurbelwelle & Nockenwelle
Motor Zylinderblock
Motor & Auspuff
Motor-Riemenscheibe & Zapfwellenkupplung
Bremse & Spannrolle (212-H)
Getriebegestänge (212-H)
Bürsten Zapfwelle (212-H)
Getriebe (210-H & 212-H)
Bremse & Spannrolle (212-5)
Bürsten Zapfwelle (212-5)
Peerless Getriebe Modell-Nr. 930-020* (212-5)
Getriebe (212-5)
Rad & Reifen
Vorderachse & Lenkung
Elektrik
Rahmen
Sitz
Rahmen
303/R2-12OE01
212-5
17-44 HXLE
16-44 HXL
16-38 HXL
16-38 XLE
15-44 HXL
15-38 HXL
14-38 HXL
14-38 XL
13-38 HXL
13-38 XL
13-32 XLE
12-38 HXL
12-38 XL
12-32 XL
264 H
265 H
267 H
268 H
270 H
520 xi
520 Lxi
523 Dxi
Rider
Mähwerke
Zubehör
Handgeräte
Robin
Impressum
(C) by motoruf