Zurück zu
>
Roth / TORO
>
Handgeräte
>
Schneefräsen
>
zweistufig
>
622
>
624/38063
>
7900001
>
Trommel
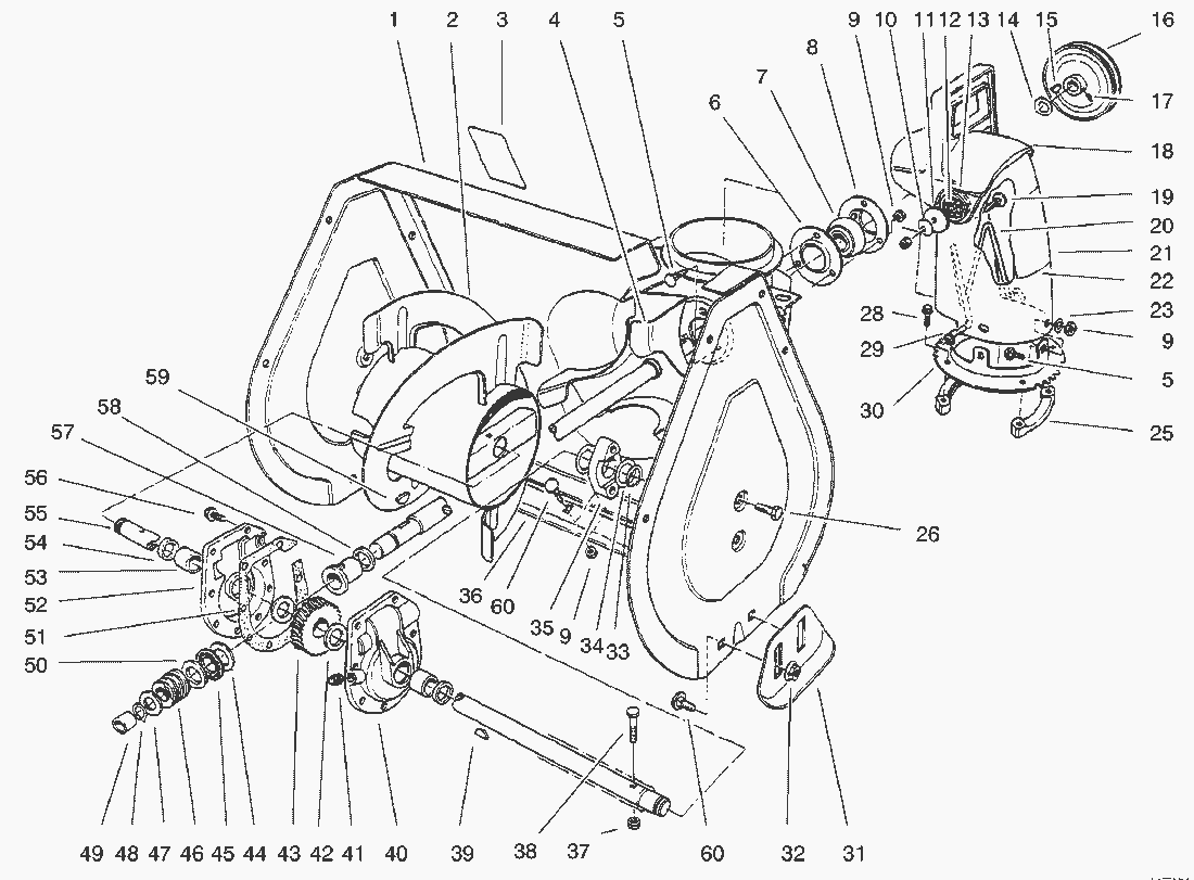
Ersatzteillisten für Toro Roth / TORO Trommel
Pos.
Bezeichnung
Ersatzteilnummer
Housing-Auger (Incl. Ref.
94-9872
Pos.
Bezeichnung
Ersatzteilnummer
Raeumgehaeuse
94-9873
2
Auger R.H.
39-1180
Auger L.H.
39-1190
3
Decal-Auger Warning
53-7670
Decal-Danger Auger Model No. 38543
94-2568
4
Shaft & Impeller
37-6990
5
Carriage Bolt
3230-18
6
Bearing Flange Rear
26-6120
7
Lager
63-3450
8
Bearing Flange Front
26-6110
9
MUTTER
3296-29
10
Scheibe
3290-340
11
Scheibe
3256-68
12
Sicherungsscheibe
55-8950
13
Scheibe
20-4320
14
Scheibe
3-0737
15
Keil
3257-23
16
Keilriemenscheibe
37-6890
17
Schraube
3242-4
18
Leitblech
56-2680
19
Bolzen
3230-22
20
Auswurfschutz
56-2670
21
Auswurkanal
94-2793
Auswurfkanal
94-2792
Gebrauchsanweisungen
Toro
Roth / TORO
Aufsitzmäher
Handgeräte
Kehrmaschinen
Schneefräsen
Zubehör
zweistufig
1332 PowerShift
1232 PowerShift
1132 PowerShift
1132
1028 PowerShift
924 PowerShift
828 PowerShift
824 PowerShift
824 XL
824
724
624 PowerShift
622
624/38063
220000001
210000001
200000001
9900001
8900001
7900001
Starter Nr. 590742 (wahlw.)
Vergaser Nr. 632379A
Elektrostarter Nr. 38-7590 (wahlw.)
Starter Nr. 590707
Motor Tecumseh (Modell HSK60-76008B)
Holm links
Holm rechts
Antrieb
Antrieb (Fortsetzung)
Motor
Trommel (Fortsetzung)
Trommel
000000001
521
3521
einstufig
Sauger/Bläser
Rasenmäher
Robin
Impressum
(C) by motoruf