Zurück zu
>
Roth / TORO
>
Handgeräte
>
Schneefräsen
>
einstufig
>
CR 1000
>
603/38196
>
6900001
>
oberer Abdeckung
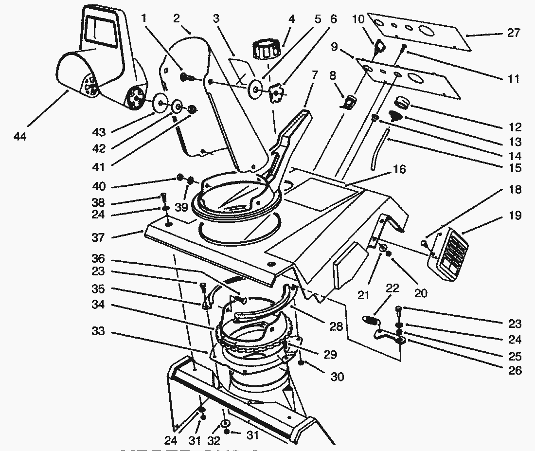
Ersatzteillisten für Toro Roth / TORO oberer Abdeckung
Pos.
Bezeichnung
Ersatzteilnummer
1
Bolzen
3230-22
2
Auswurfkanal
94-2791
3
Klebeschild
94-2901
4
Gas Cap Assembly
55-3573
5
Scheibe
20-4320
6
Sicherungsscheibe
55-8950
7
Handgriff
71-4940
8
Zuendschloss
40-5940
9
Panel-Control
71-5240
9
Panel-Control (Model No. 38195)
71-5241
10
Schluessel
63-8360
11
Schraube
32144-53
12
Primerknopf
66-7460
13
Primer-Koerper
44-2750
14
Seilfuehrung
23-7470
15
Primerschlauch
44-3173
16
Schild Ccr 1000e
77-5210
Decal-Shroud
71-5490
18
Schraube
3290-359
19
Guard-Muffler
71-5340
20
Mutter
3296-2
21
Scheibe
3256-61
22
Feder
80-4600
Gebrauchsanweisungen
Toro
Roth / TORO
Aufsitzmäher
Handgeräte
Kehrmaschinen
Schneefräsen
Zubehör
zweistufig
einstufig
Snow Commander
CCR 3650 GTS
CCR 3000
CCR 2450
CCR 2400
CCR 2000
CR 1000
603/38196
6900001
Starter Nr. 590652
Motor Tecumseh Modell-Nr. HSK600-1681S
Vergaser Nr. 632641
Holm
Motor & Rahmen Modell 38191 (Starter)
Rotor
Rotorgehäuse
oberer Abdeckung (Fortsetzung)
oberer Abdeckung
5900001
4900001
3900001
2000001
603/38195
603/38191
CR 20
CR 20 R
S 620
S 200
CCR Powerlite
Sauger/Bläser
Rasenmäher
Robin
Impressum
(C) by motoruf