Zurück zu
>
Roth / TORO
>
Aufsitzmäher
>
Traktor
>
523 Dxi
>
522/73551
>
8900001
>
Hydraulik Getriebeachse
Ersatzteillisten für Toro Roth / TORO Hydraulik Getriebeachse
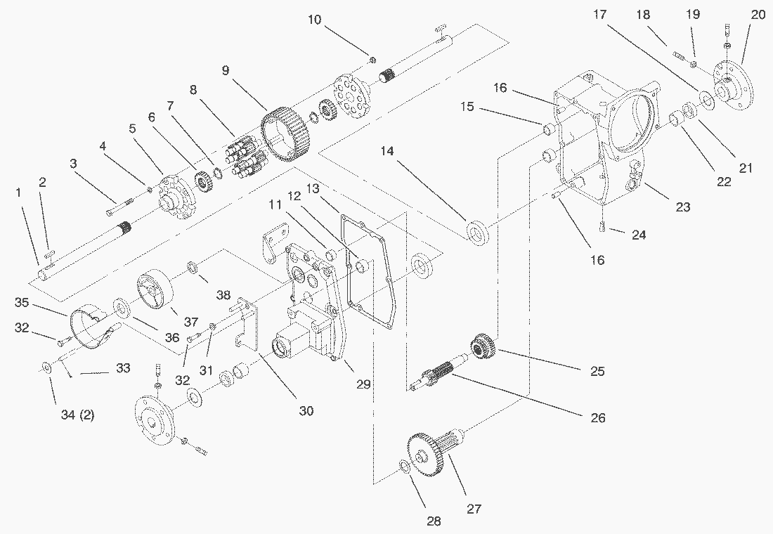
Pos.
Bezeichnung
Ersatzteilnummer
1
Steckachse
79-3340
2
Keil
79-3370
3
Schraube
911423
4
Scheibe
107374
5
Deckel
111196
6
Zahnrad
101889
7
Sicherungsring
105876
8
Antriebsritzel
101623
9
Trabandenrad
105061
10
Nut-Lock
108881
11
Nadellager (2)
1540
12
Nadellager
94-2021
13
Gasket-Transaxle
94-2022
14
Kugellager
111199
15
Nadellager
1529
16
Zentrierstift
108363
17
Lagerscheibe
106826
18
Schraube
3243-5
19
Mutter
3218-3
20
Radnabe
105763-03
21
Dichtung (2)
6449
22
Nadellager
9416
23
Achsgehaeuse
94-2001-03
24
Oelablasschraube
281-10
25
Doppelzahnrad
94-2008
26
Bremswelle
94-2007
27
Zahnwelle Mit Zahnrad
94-2006
28
Lagerscheibe
9547
29
Achsgehaeuse
94-2002-03
30
Arm-Brake Pivot
94-2019-03
31
Spacer-Cam
100309
32
Schraube
3235-22
33
Splint
3272-6
34
Scheibe
3256-24
35
Bremsband
94-2419
36
Scheibe (5)
2844
37
Bremstrommel
94-2009
38
Simmerring
253-44
Gebrauchsanweisungen
Toro
Roth / TORO
Aufsitzmäher
Traktor
264-6
246 HE
244-5
212-H
212-5
17-44 HXLE
16-44 HXL
16-38 HXL
16-38 XLE
15-44 HXL
15-38 HXL
14-38 HXL
14-38 XL
13-38 HXL
13-38 XL
13-32 XLE
12-38 HXL
12-38 XL
12-32 XL
264 H
265 H
267 H
268 H
270 H
520 xi
520 Lxi
523 Dxi
522/73551
8900001
Stoßfänger & Haube Halterung
Lenksäule & Kraftstofftankhalterung
'Attach a matic' und Aufhängung
Servolenkung unten
Servolenkung und Verstellung
Befestigungen, Spindel, & Vorderachse
Hydraulik Getriebeachse
Hydraulik Getriebeachse (Fortsetzung)
Antriebswelle
Hydro-Aushebung - untere Gruppe
Hydro-Aushebung - obere Gruppe
Haube & Scheinwerfer
Grill & Seitenverkleidung
Armaturenbrett
Kotflügel, Fußauflage & Sitz
Kotflügel, Fußauflage, & Sitz (Fortsetzung)
Kurvenverzögerung hinten
Umschaltung
Feststellbremse
Hydraulikbetätigungen
Kurvenverzögerung vorne
Feststellbremse unten
Tempomat Betätigung
Kraftstoffsystem
Rad
Wassergekühlter Dieselmotor
Wassergekühlter Dieselmotor (Fortsetzung)
Elektrik
Motor
522/73590
Rider
Mähwerke
Zubehör
Handgeräte
Robin
Impressum
(C) by motoruf