Zurück zu
motoruf
Warenkorb

Ersatzteillisten für Toro Roth / TORO Schneideinheit




Ersatzteilliste


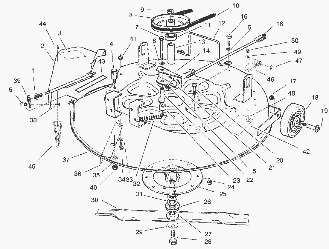
Pos.BezeichnungErsatzteilnummer
1Feder28-8010
2Grasleitstueck93-9492
3Warnschild93-7010
4Bolzen67-0140
5Stopmutter3296-8
6Scheibe3256-23
7Schraube322-19
8Riemenscheibe80-4420
9Mutter3219-6
10Keilriemen98-0710
11Kugellager38-7820
12Riemenfuehrung80-4520
13Buechse62-3660
14Messerbremse67-1370
15Schraube322-6
16Gestaenge67-0570
17Mutter3296-39
18Rad61-9760
19Radschraube56-6590
20Schraube322-3
21Ball-Swivel67-0710
22Buechse67-0730
23Buechse76-3810
24MUTTER3296-29
25Mitnehmer67-0970
26Shield-Bearing80-4360
27Messerwelle80-4340
28Screw-Blade26-0671
29Scheibe3290-465
30Blade67-0200
31Spacer-Hardened80-4380
32Feder67-1440
33scheibe3256-22
34Schraube3234-21
35Scheibe3256-24
36Grasleitblech67-0130-01
37Gehaeuse95-7485
38Schraube321-5
39Bracket-Deflector67-1600-01
40Mutter3296-59
41MUTTER3296-42
42Warnschild93-7010
43Klebeschild93-7009
44Schraube32144-111
45Anschlag93-7696
46Fitting-Washout (Model No. 22045 Only)95-2747
47O-Ring-Seal (Model No. 22045 Only)46-6290
48Schraube3229-1
49Washer-Plain3256-1
50Mutter3296-16
Gebrauchsanweisungen
Toro
Impressum
(C) by motoruf